Joist modelling : Creating virtual representations of joists with types, sizes, and properties for structural analysis and coordination.
Joist Layout : Positioning and orienting joists in the structural design, ensuring proper spacing and integration with other building systems.
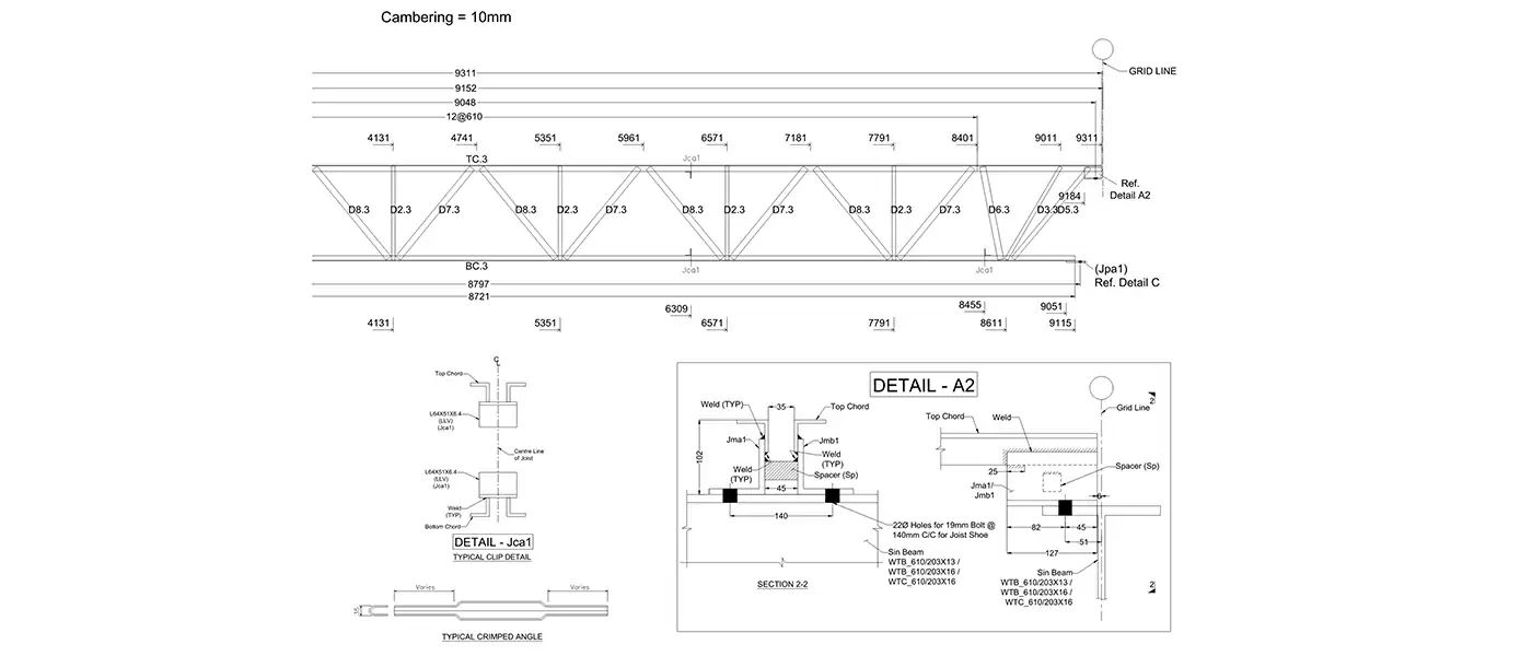
Joist Listing : Producing detailed schedules of joists with specifications to guide fabrication and installation.
These processes are commonly integrated in BIM (Building Information modelling) and structural design software to improve accuracy, collaboration, and efficiency in construction projects.
Deck Layout and Deck Listing
Deck Layout : This involves creating detailed plans that show the arrangement, dimensions, and placement of steel deck panels and joists. The layout is typically based on architectural and structural drawings using Tekla.
Deck Listing : This is a comprehensive material list specifying the type, size, quantity, and location of all deck panels and joists required for the project. It includes information such as panel lengths, finishes, and connection details
Services Include
Production of 2D and 3D deck layout drawings for both shop and field use.
Generation of detailed deck and joist material lists for procurement and fabrication.
Connection sketches and detailing for deck-to-joist and joist-to-beam connections.
Integration with other steel detailing deliverables such as shop drawings, erection plans, and advanced bills of material.
Brainstorm Infotech is headquartered in Bengaluru, the start-up capital of India. It has carved a niche for itself in the field of steel design and detailing services with a credit of completing over 4000+ projects so far.